Dossier d’œuvre architecture IA56132465 | Réalisé par
Lécuillier Guillaume (Contributeur)
Lécuillier Guillaume

Chargé d'études d'Inventaire du patrimoine à la Région Bretagne.

Cliquez pour effectuer une recherche sur cette personne.
  • enquête thématique régionale, Inventaire des héritages militaires en Bretagne
Bunker-poste de direction de tir de type Fl 229 équipé d'un télémètre, Le Cosquéric (Ploemeur)
Œuvre étudiée
Auteur
Copyright

Dossier non géolocalisé

Localisation
  • Aire d'étude et canton France - Ploemeur
  • Commune Ploemeur
  • Lieu-dit Le Cosquéric
  • Cadastre CE 97
  • Dénominations
    blockhaus, abri, édifice logistique

Implanté au centre de l’hexagone formé par les six cuves pour canon antiaérien, le bunker-poste de direction de tir principal de la batterie antiaérienne lourde Rossitten était doté d’un télémètre de 6 m de longueur et d’un équipement de conduite de tir ultra moderne.

Capable de résister à un bombardement et étanche en cas d’attaque au gaz de combat, il était alimenté en électricité et relié au réseau téléphonique. La porte séparant la salle de calculs de la salle des opérations n'a cependant jamais été posée.

Propriété du Conseil départemental du Morbihan, il se distingue par son relatif bon état de conservation même si les éléments de second œuvre ont tous disparu.

Ce dossier d’Inventaire du patrimoine a été créé par la Région Bretagne en 2026 dans le cadre de l'Inventaire des héritages militaires avec le soutien des membres de l’association Rossitten histoire et mémoire. Il profite d'un relevé réalisé par Christian Moignez de l’association Gerfaut 29 (Groupe d’études et de recherches des fortifications de l’Atlantique et des unités sur le terrain).

Bunker construit pour l’Allemagne nazie sous maîtrise d’oeuvre de l’Organisation Todt après le deuxième trimestre 1942 (le plan type Fl* 229 est mis en service dans le troisième trimestre 1942). Il fait partie de la batterie d'artillerie antiaérienne "Rossitten" (Lo 302).

* "Fl" est l'abréviation de l’acronyme "Flak", Flugabwehrkanone qui signifie "canon antiaérien" (plus précisément, canon de défense contre les avions).

  • Période(s)
    • Principale : 2e quart 20e siècle , daté par source
  • Dates
    • 1942, daté par travaux historiques
    • 1943, daté par travaux historiques
  • Auteur(s)
    • Auteur :
      Organisation Todt (1938 - 1945)
      Organisation Todt

      L’Organisation Todt (souvent abrégée en "OT") était un groupe de génie civil et militaire de l'Allemagne nazie. Elle portait le nom de Fritz Todt (1891-1942), son fondateur et dirigeant, ingénieur de travaux publics nommé en 1940 ministre du Reich pour l'Armement et les Munitions. A sa mort le 8 février 1942, ce dernier est remplacé par l'architecte Albert Speer (1905-1981), haut responsable politique et proche d’Adolf Hitler. L'organisation Todt a notamment assuré la construction du réseau des autoroutes du Reich (Reichsautobahnen), de bases aériennes, portuaires, de sous-marins, d’infrastructures pour armes spéciales ou logistiques et de fortifications (Westwall, Atantikwall, Südwall).

      Cliquez pour effectuer une recherche sur cette personne.
      maître d'oeuvre attribution par travaux historiques

Ce bunker se situe à 180 m à l’ouest-sud-ouest du logis de la ferme du Cosquéric, au centre de l’hexagone allongé formé par les six bunkers-cuves pour canon antiaérien.

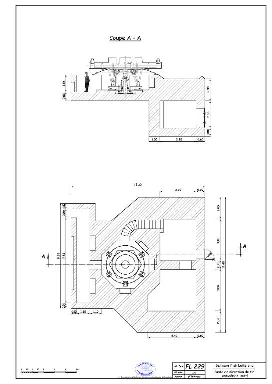
De type Fl 229, ce bunker est désigné en allemand Schwere Flak Leitstand, poste de direction de tir pour batterie d'artillerie antiaérienne. Sur le plan de situation de la batterie antiaérienne "Rossitten" du 7 mai 1944 est mentionné "Lt Stand"("Lt" est l’abréviation de Leitstand).

Partiellement enterré dans le sol, ce bunker mesure 12,2 m x 12,40 m hors-tout ; sa dalle de couverture mesure 2 m d’épaisseur.

Il comprend à l’ouest une longue travée orientée nord-sud servant d'observatoire avec une entrée vers l’ouest, presque au niveau du terrain environnant : cet observatoire est équipé de plusieurs niches murales fermées à l’origine par des portes coulissantes (reconnaissables aux fixations). L’élévation ouest du bunker comprend une longue niche murale également fermée à l’origine par des portes coulissantes.

De plan octogonal, la cuve du télémètre mesure 4,5 m de largeur. Depuis la cuve, un escalier dessert les salles de calculs et des opérations situées en sous-sol. La porte blindée située entre les deux pièces n’a jamais été posée. Une porte donne sur l’extérieur à l’est. A noter que le mur extérieur est ne mesure que 0,80 m d’épaisseur.

Le poste de direction de tir était équipé d’un calculateur électromécanique (sans doute un modèle Dreiwag), sorte d’ordinateur analogique couplé à un télémètre de 6 m de longueur (probablement de type Em 6m R (H) pour Entfernungsmesser 6-meter Raumbild).

  • Murs
    • béton béton armé
  • Toits
    béton en couverture
  • Plans
    plan rectangulaire régulier
  • Étages
    sous-sol
  • Escaliers
    • escalier dans-oeuvre : escalier droit
  • État de conservation
    état moyen, inégal suivant les parties
  • Techniques
    • peinture
  • Précision représentations

    Murs peints en blanc.

  • Mesures
    • l : 12,2 m
    • la : 12,4 m
    • h : 5,3 m
    • la : 2 m (murs périphériques et dalle de couverture)
    • la : 0,8 m (mur est des salles)
  • Statut de la propriété
    propriété du département, Conseil départemental du Morbihan (parcelle CE n° 97 abritant au moins 5 constructions)
  • Intérêt de l'œuvre
    vestiges de guerre, à signaler
  • Éléments remarquables
    blockhaus, édifice logistique

Bibliographie

  • ROLF, Rudi. Atlantikwall-Typenheft. Atlantic Wall typology. Typologie du Mur de l'Atlantique. Middelburg, PRAK publishing, 2008, 432 p.

  • ASSOCIATION ROSSITTEN HISTOIRE ET MÉMOIRE. Inventaire de la batterie de Flak Rossitten. Non publié, 2025, 38 p.

  • TROUSSARD, Philippe. Batterie du Cosquéric. Bien plus qu'un musée, un saut dans l'histoire. Toulouse : CoolLibri. Association Histoire et Mémoire, collection Passeurs de mémoire, 123 p.

Périodiques

  • CHAZETTE, Alain, TOUSSAINT, Patrick. "Les pièces de 10,5 cm S.K. C/32 et S.K. C/33 de la Kriegsmarine. Matériels embarqués et pièces employées sur l'Atlantikwall et le Südwall : Brest - Lorient - Saint-Nazaire - Toulon". Paris, Fortifications et Patrimoine, hors-série n° 2, novembre 1999, 72 p.

Documents figurés

  • ASSOCIATION GERFAUT 29. MOIGNEZ, Christian. Collection de plans et coupes de bunkers.

Annexes

  • Le fonctionnement de la batterie d’artillerie antiaérienne "Rossitten"
Date(s) d'enquête : 2025; Date(s) de rédaction : 2026
(c) Région Bretagne
(c) Association Rossitten Histoire et Mémoire
Lécuillier Guillaume
Lécuillier Guillaume

Chargé d'études d'Inventaire du patrimoine à la Région Bretagne.

Cliquez pour effectuer une recherche sur cette personne.